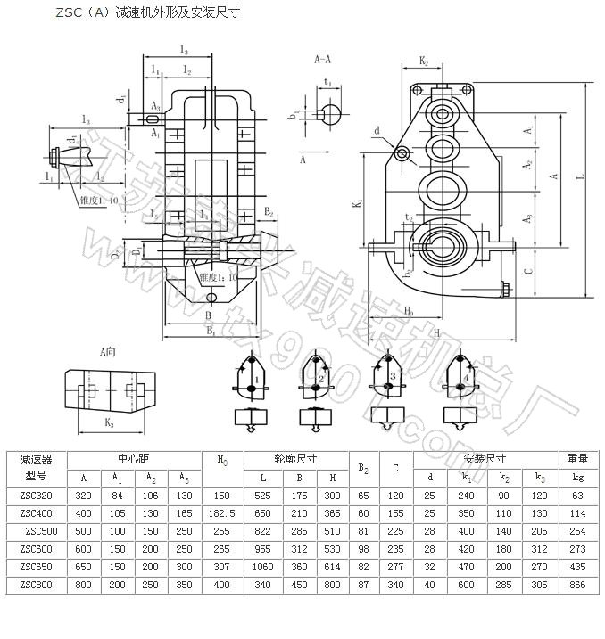
ZSC-A软齿面减速机